商品貨號:000870501
商品品牌:進口
銷 售 價:¥30.00 (不含配送費用)
商品評分:10
用TDA7294制作的功放電路圖
TDA7294集成功放電路是歐洲著名的SGS—THOMSON公司推出的一款Hi—Fi大功率DMOS集成功放電路。今天就為大家介紹三種使用TDA7294集成功放塊制作的功放電路。
1.OOL電路
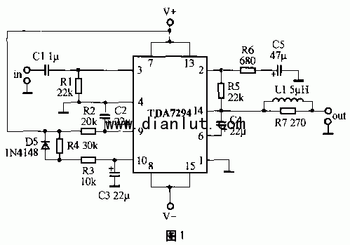
OCL電路圖見圖1,本電路是用兩片TDA7294組成的雙聲道70W 功放。外圍元件少,電路簡單,當電源電壓為土35V時,在8歐負載上可獲得70W的連續輸出功率。非常適合30平方米以下的環境放音。整流電路見圖4,如音箱阻抗小于8歐,電源電壓應相應降低。


3.恒流功放
恒流功放電路見圖3,整流電路見圖4。本功放電路與前面兩種結構有些不同,其反饋電路為電流取樣、電壓求和負反饋。這種電路結構就是人們常說的恒流功放,電路的具體分析不作詳述,只介紹與傳統恒壓功放相比后較突出的優點。
①功放輸出電流與負載阻抗無關,即使負載短路,也不會造成功放塊過熱現象。
②輸出功率隨著負載阻抗的增大而增大,在一定功率儲備之內推動揚聲器負載,可以很好地保證原來音樂信號的低音力度和高頻解析力。③作用在揚聲器音圈上的力只依賴于電流。用流控振蕩方式推動揚聲器必然要快于壓控振蕩方式,使揚聲器振動系統④輸入、輸出阻抗容易做到匹配。恒流功放電路實際上是一個受輸入信號電壓控制的受控電流源。它的內部反饋電路為電流取樣,電壓求和負反饋,具有輸入、輸出阻抗均高的特點。輸入阻抗高,正好是前級恒壓放大電路所需要的,有利于信號電壓無損失地送到功放輸入端。而輸出阻抗高,能減少
內阻對信號的分流,有利于把輸出信號電流都加在負載上。圖3中,電源電壓選擇為±35V,其放大倍數由揚聲器與R6的比值決定。

