溫馨提示:本產品可貨到付款,收貨人居住在市區(鄉鎮地區不支持)的客戶下單時請將支付方式選擇為“貨到付款”,由客服人員與您聯系確認。辦理此業務需額外加收5-10元不等的手續費,客戶支付現金總金額為:商品價格+運費+代收貨款手續費,詳情請閱讀《貨到付款》。
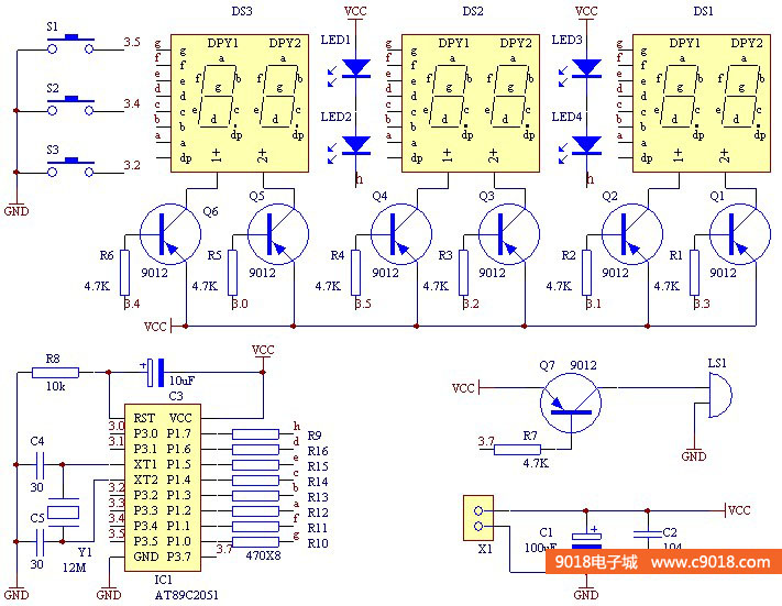
一、電路說明:
本套件以AT89C2051為核心器件,并配合所有的必須的電路,只具有上電復位的功能。顯示部分主要器件為2位共陽紅色數碼管,驅動采用 PNP 型三極管驅動,各端口配有限流電阻,驅動方式為掃描,占用 P1.0~P1.6 端口。冒號部分采用4個3mm的紅色發光二極管,驅動方式為獨立端口驅動,占用P1.7端口。按鍵 S1~S3 采用復用的方式與顯示部分的 P3.5、P3.4、P3.2 口復用。其工作方式為,在相應端口輸出高電平時讀取按鍵的狀態并由單片機支除抖動并賦予相應的鍵值。迅響電路由有源蜂鳴器和 PNP 型三極管組成。其工作原理是當 PNP 型三極管導通后有源蜂鳴器立即發出定頻聲響。驅動方式為獨立端口驅動,占用P3.7端口。
本套件采用直流5V供電,也可以采用三節1.5V的電池串聯后供電,套件中不含電源和電池盒。
本套件中的單片機程序已經寫入,源代碼一概不提供。
二、使用說明:
S1為功能選擇按鍵,S2為功能擴展按鍵,S3為數值加一按鍵。操作時,連續短時間(小于1秒)按動S1,即可在以上的6個功能中連續循環。中途如果長按(大于2秒)S1,則立即回到時鐘功能的狀態。以下為功能調節說明:
1、時鐘功能:上電后即顯示10:10:00 ,寓意十全十美。
2、校時功能:短按一次S1,即當前時間和冒號為閃爍狀態,按動S2則小時位加1,按動S3則分鐘位加1,秒時不可調。
3、鬧鐘功能:短按二次S1,顯示狀態為22:10:00,冒號為長亮。按動S2剛小時位加1,按動S3則分鐘位加1,秒時不可調。當按動小時位超過23時則會顯示--:--:--,這個表示關閉鬧鐘功能。鬧鈴聲為蜂鳴器長鳴3秒鐘。
4、倒計時功能:短按三次S1,顯示狀態為 0,冒號為長滅。按動S2則從低位依此顯示高位,按動S3則相應位加1,當S2按到第6次時會在所設定的時間狀態下開始倒計時,再次按動S2將再次進入調整功能,并且停止倒計時。
5、秒表功能:短按四次S1,顯示狀態為00:00:00,冒號為長亮。按動S2則開始秒表計時,再次按動S2則停止計時,當停止計時的時候按動S3則秒表清零。
6、計數器功能:短按五次S1,顯示狀態為00:00:00,冒號為長滅,按動S2則計數器加1,按動S3則計數器清零。
三、元件清單:
四、電路原理圖:
五、二位數碼管引腳圖:
六、未焊接的散件圖:
七、焊接好的成品圖:




